Issue No. 133
- Contents
- 1) Introduction: Winstar System Integrated Solution
- 2) 3.9" Top View Touch Screen Bar TFT WF39CTIASDNG0
- 3) 5.2" Top View Touch Screen Bar TFT WF52BTIASDNG0
Introduction: Winstar System Integrated Solution
Winstar offers an extensive portfolio of System Integrated Solutions to meet customers' unique applications and requirements. Our System Integrated Solution service provides custom design solution and in depth support through our integrated core services which are based on the following technologies:
|
|
For each new development, understanding of the application area and the fulfillment of the product specifications are the basis for getting an optimum solution. We already had many successful cases and ongoing projects, welcome to contact us if you need custom System Integrated Solutions.
► Link to Winstar System Integrated Solution web page
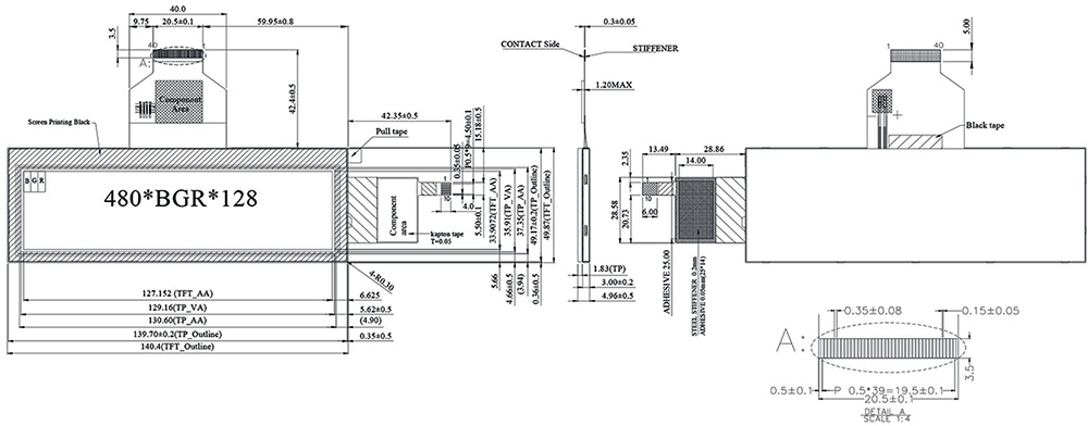
3.9" Top View Touch Screen Bar TFT WF39CTIASDNG0
WF39CTIASDNG0 is a 3.9 inch Top View Bar TFT module with Projected Capacitive Touch Panel (PCAP) which featured with 480x128 dots resolution. WF39CTIASDNG0 is built in with Driver IC HX8278-A, it communicates via 24-bit RGB interface, 3.3V (typical) power supply voltage, supports SYNC mode or DE mode, default SYNC mode. Its brightness is 400 nits, contrast ratio of 500, view direction 12 o'clock (top view direction), gray scale inversion direction 6 o'clock, and glare surface glass. It can be operating at temperatures from -20℃ to +70℃, its storage temperatures range from -30℃ to +80℃.
We also offer Resistive Touch Panels (RTP) and High Brightness version optional for WF39C model. WF39C is top-view direction TFT module, if customers require bottom-view (6 o'clock), please choose WF39B series Bar TFT model.
|
![]() |
► Link to Winstar WF39CTIASDNG0 web page
5.2" Top View Touch Screen Bar TFT WF52BTIASDNG0
WF52BTIASDNG0 is a top view direction bar type TFT LCD module, diagonal size 5.2 inch with Projected Capacitive Touch Panel. WF52B module offers high quality and colorful image made of resolution 480x128 dots. This module is built in with ST7252 or equivalent driver IC, it supports RGB 24-bit parallel interface SYNC mode, brightness 400 nits, contrast ratio 500, view direction 12 o'clock, gray scale inversion direction 6 o'clock, and glare surface glass. If customers require bottom-view (6 o'clock), gray scale inversion direction 12 o'clock, please choose WF52A series Bar TFT model.
The supply voltage for LCM (VCC) is 3V ~ 3.6V, typical value 3.3V, it can be operating at temperatures from -20℃ to +70℃, its storage temperatures range from -30℃ to +80℃. We also offer Resistive Touch Panels (RTP) and high brightness optional for WF52B series Bar TFT.
|
![]() |
► Link to Winstar WF52BTIASDNG0 web page




