16x2 Character Dot Matrix LCD Module
Model No. WH1602L1
►Character LCD 16x2
►5x8 dots includes cursor
►Bulit-in controller (ST7066 or Equivalent)
►+5V power supply ( Also available for +3V)
►Negative voltage optional for +3V power supply
►1/16 duty cycle
►LED can be driven by PIN1, PIN2, PIN15, PIN16 or A and K
►Interface : 6800, option SPI/I2C (RW1063 IC)
►Chinese version : WG16032D
DESCRIPTION
WH1602L1 is a 16x2 Character Dot Matrix LCD Module which is built in with ST7066 controller IC; its default interface is 6800 4/8-bit parallel. The WH1602L1 model is negative voltage optional as well. This display is also available in SPI and I2C interface by using RW1063 controller IC. WH1602L1 is available in several different backlight colors including blue, green, white, yellow-green, amber, red, white LED. The LEDs can be driven by PIN1, PIN2, PIN15, PIN16 or A and K.
There are different interface options for WH1602L1 series, details as below:
►WH1602L1 : 6800 interface (ST7066 IC)
►WH1602L2 : SPI interface (RW1063 IC)
►WH1602L3 : I2C interface (RW1063 IC)
There are different interface options for WH1602L1 series, details as below:
►WH1602L1 : 6800 interface (ST7066 IC)
►WH1602L2 : SPI interface (RW1063 IC)
►WH1602L3 : I2C interface (RW1063 IC)
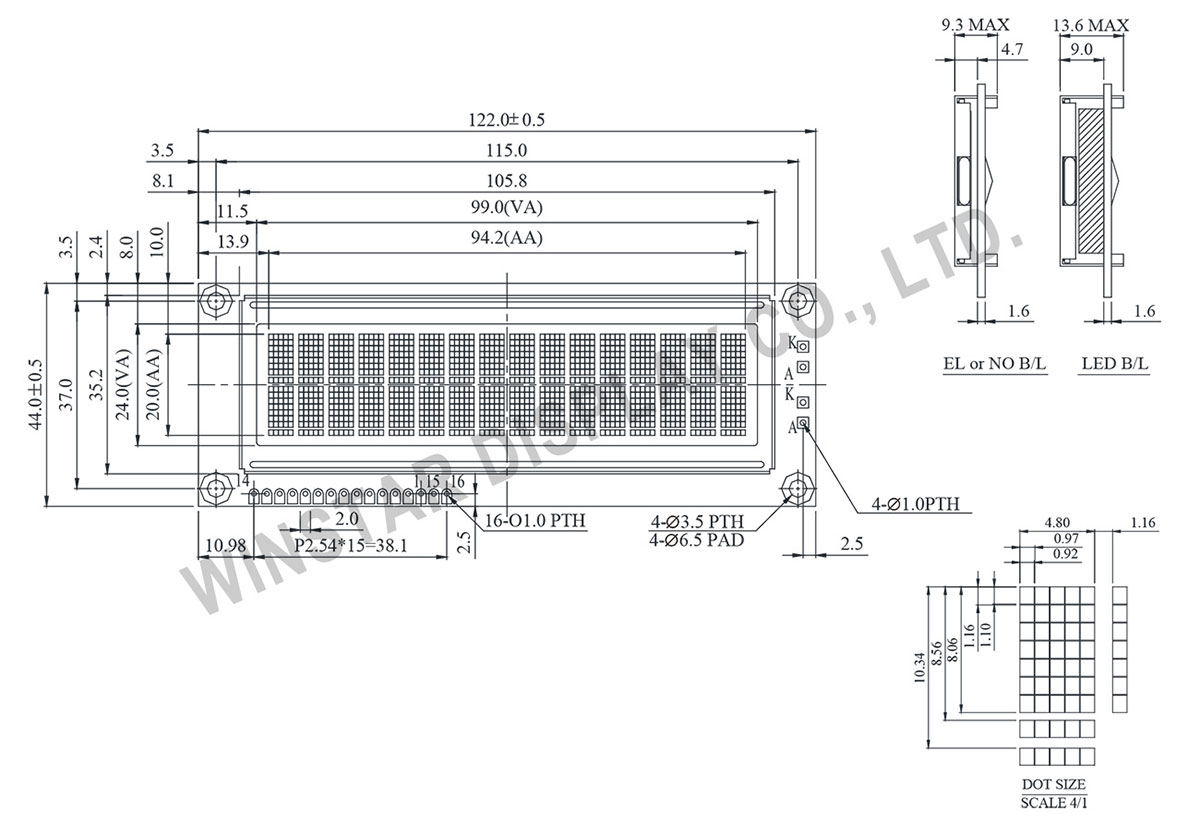
DRAWING

SPECIFICATIONS
Interface Pin Function
| Pin No. | Symbol | Description |
|---|---|---|
| 1 | VSS | Ground |
| 2 | VDD | Power supply for logic |
| 3 | VO | Contrast Adjustment |
| 4 | RS | Data/ Instruction select signal |
| 5 | R/W | Read/Write select signal |
| 6 | E | Enable signal |
| 7~14 | DB0~DB7 | Data bus line |
| 15 | A | Power supply for B/L + |
| 16 | K | Power supply for B/L - |
Mechanical Data
| Item | Standard Value | Unit |
|---|---|---|
| Module Dimension | 122.0 x 44.0 | mm |
| Viewing Area | 99.0 x 24.0 | mm |
| Mounting Hole | 115.0 x 37.0 | mm |
| Character Size | 4.80 x 8.56 | mm |
Electrical Characteristics
| Item | Symbol | Standard Value typ. |
Unit |
|---|---|---|---|
| Input Voltage | VDD | 3/5 | V |
| Recommended LCD Driving Voltage for Normal Temp. Version module @25°C |
VDD-VO | 4.20 | V |
Display Character Address Code
| Display Position | 1 | 2 | 3 | 4 | 5 | 6 | 7 | 8 | 9 | 10 | 11 | 12 | 13 | 14 | 15 | 16 |
|---|---|---|---|---|---|---|---|---|---|---|---|---|---|---|---|---|
| DD RAM Address | 00 | 01 | 0F | |||||||||||||
| DD RAM Address | 40 | 41 | 4F |
Search Keyword: lcd 16x2, lcd 16 x 2, 16x2 lcd, 16 x 2 lcd
