16x2 Character Medium / Small LCD Module
Model No. WH1602J
►Character LCD 16x2
►5x8 dots includes cursor
►Bulit-in controller (ST7066 or Equivalent)
►+5V power supply (Also available for +3V)
►Negative voltage optional for +3V power supply
►1/16 duty cycle
►LED can be driven by PIN1, PIN2, PIN15, PIN16 or A and K
►Interface : 6800, option SPI/I2C (RW1063 IC)
DESCRIPTION
WH1602J is a medium/small LCD Module which is built in with ST7066 controller IC; its default interface is 6800 4/8-bit parallel. This display is also available in SPI and I2C interface by using RW1063 controller IC. WH1602J is available in several different backlight colors including blue, green, white, yellow-green, amber, red, white LEDs. There are different character fonts/texts available for ST7066 IC including English/Japanese, English/West European, English/Scandinavian European, or English/Cyrillic (Russian) as options.
There are different interface options for WH1602J series, details as below:
►WH1602J : 6800 interface (ST7066 IC)
►WH1602J1 : SPI interface (RW1063 IC)
►WH1602J2 : I2C interface (RW1063 IC)
There are different interface options for WH1602J series, details as below:
►WH1602J : 6800 interface (ST7066 IC)
►WH1602J1 : SPI interface (RW1063 IC)
►WH1602J2 : I2C interface (RW1063 IC)
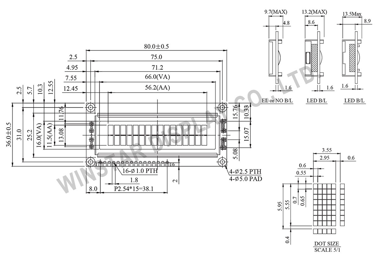
DRAWING

SPECIFICATIONS
Interface Pin Function
| Pin No. | Symbol | Description |
|---|---|---|
| 1 | VSS | Ground |
| 2 | VDD | Power supply for logic |
| 3 | VO | Contrast Adjustment |
| 4 | RS | Data/ Instruction select signal |
| 5 | R/W | Read/Write select signal |
| 6 | E | Enable signal |
| 7~14 | DB0~DB7 | Data bus line |
| 15 | A | Power supply for B/L + |
| 16 | K | Power supply for B/L - |
Mechanical Data
| Item | Standard Value | Unit |
|---|---|---|
| Module Dimension | 80.0 × 36.0 | mm |
| Viewing Area | 66.0 × 16.0 | mm |
| Mounting Hole | 75.0 × 31.0 | mm |
| Character Size | 2.95 × 5.55 | mm |
Electrical Characteristics
| Item | Symbol | Standard Value typ. |
Unit |
|---|---|---|---|
| Input Voltage | VDD | 3/5 | V |
| Recommended LCD Driving Voltage for Normal Temp. Version module @25°C |
VDD-VO | 3.70 | V |
Display Character Address Code
| Display Position | 1 | 2 | 3 | 4 | 5 | 6 | 7 | 8 | 9 | 10 | 11 | 12 | 13 | 14 | 15 | 16 |
|---|---|---|---|---|---|---|---|---|---|---|---|---|---|---|---|---|
| DD RAM Address | 00 | 01 | 0F | |||||||||||||
| DD RAM Address | 40 | 41 | 4F |
Search Keyword: lcd 16x2, lcd 16 x 2, 16x2 lcd, 16 x 2 lcd
