0.68 inch COG Graphic Display with Hotbar FPC
Model No. WEO009632B-Hotbar
►Type: Graphic
►Structure: COG + Hotbar FPC
►Size: 0.68 inch
►96 x 32 Dot Matrix
►Built-in controller SSD1305
►3V Power supply
►1/32 duty
►Interface: 6800, 8080, SPI, I2C
►Display Color: White / Yellow
►Other FPC options available in below table
DESCRIPTION
WEO009632B-Hotbar version is a mini OLED display which is made of 96x32 resolution, diagonal size 0.68 inch. WEO009632B-Hotbar is built in with SSD1305 driver IC; it supports 6800/8080 8-bit parallel, I2C and 4-wire SPI interface. The supply voltage for logic of WEO009632B-Hotbar version is 3V, 1/32 driving duty; display with 50% check board current is 6mA@12Vcc (typical value).
This OLED display which is ultra thin and no need of backlight; it’s lightweight and low power consumption. It is suitable for portable device, personal care appliance, health device, meter device, etc. WEO009632B-Hotbar module can be operating at temperatures from -40℃ to +80℃; its storage temperatures range from -40℃ to +85℃.
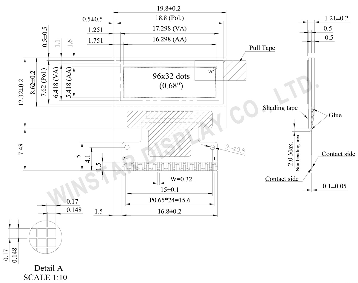
DRAWING

Data source ref: WEO009632BWPP3N00H00
SPECIFICATIONS
Interface Pin Function
| Pin Number | Symbol | I/O | Function | |||||||||||||||
|---|---|---|---|---|---|---|---|---|---|---|---|---|---|---|---|---|---|---|
| 1 | N.C. | - | Reserved Pin(Supporting Pin) The supporting pins can reduce the influences from stresses on the function pins. These pins must be connected to external ground. |
|||||||||||||||
| 2,23 | VSS | P | Ground of Logic Circuit This is a ground pin. It also acts as a reference for the logic pins. It must be connected to external ground. |
|||||||||||||||
| 3,24 | VCC | P | Power Supply for OLED Panel This is the most positive voltage supply pin of the chip. It must be supplied externally. |
|||||||||||||||
| 4 | VCOMH | O | Voltage Output High Level for COM Signal This pin is the input pin for the voltage output high level for COM signals. A capacitor should be connected between this pin and VSS. |
|||||||||||||||
| 5 | IREF | I | Current Reference for Brightness Adjustment This pin is segment current reference pin. A resistor should be connected between this pin and VSS. Set the current lower than 10μA. |
|||||||||||||||
| 6 | D0~D7 | I/O | Host Data In put/ Output Bus These pins are 8-bit bi-directional data bus to be connected to the microprocessor’s data bus. When serial mode is selected, D1 will be the serial data input SDIN and D0 will be the serial clock input SCLK. When I2Cmode is selected, D2 & D1 should be tired together and serve as SDAout & SDAin in application and D0 is the serial clock input SCL. |
|||||||||||||||
| 7 | ||||||||||||||||||
| 8 | ||||||||||||||||||
| 9 | ||||||||||||||||||
| 10 | ||||||||||||||||||
| 11 | ||||||||||||||||||
| 12 | ||||||||||||||||||
| 13 | ||||||||||||||||||
| 14 | E(RD#) | I | Read/Write Enable or Read This pin is MCU interface input. When interfacing to a68XX-series microprocessor, this pin will be used as the Enable (E) signal. Read/write operation is initiated when this pin is pulled high and the CS# is pulled low. When connecting to an 80XX-microprocessor, this pin receives the Read (RD#) signal. Data read operation is initiated when this pin is pulled low and CS# is pulled low. |
|||||||||||||||
| 15 | R/W# (WR#) |
I | Read/ Write Selector Write This pin is MCU interface input. When interfacing to a68XX-series microprocessor, this pin will be used as Read/Write (R/W#) selection input. Pull this pin to “High” for read mode and pull it to “Low” for write mode. When 80XXinterface mode is selected, this pin will be the Write (WR#) input. Data write operation is initiated when this pin is pulled low and the CS# is pulled low. |
|||||||||||||||
| 16 | D/C# | I | Data/ Command Control This pin is Data/Command control pin. When the pin is pulled high, the input at D7~D0 is treated as display data. When the pin is pulled low, the input at D7~D0 will be transferred to the command register. For detail relationship to MCU interface signals, please refer to the Timing Characteristics Diagrams. When the pin is pulled high and serial interface mode is selected, the data at SDIN is treated as data. When it is pulled low, the data at SDIN will be transferred to the command register. In I2C mode, this pin acts as SA0 for slave address selection. |
|||||||||||||||
| 17 | RES# | I | Power Reset for Controller and Driver This pin is reset signal input. When the pin is low, initialization of the chip is executed. |
|||||||||||||||
| 18 | CS# | I | Chip Select This pin is the chip select input. The chip is enabled for MCU communication only when CS# is pulled low. |
|||||||||||||||
| 19 | BS2 | I | Communicating Protocol Select These pins are MCU interface selection input. See the following table:
(1) 0 is connected to VSS (2) 1 is connected to VDDIO |
|||||||||||||||
| 20 | BS1 | I | ||||||||||||||||
| 21 | VDDIO | P | Power supply for interface logic level. It should be match with MCU interface voltage level. VDDIO must always be equal or lower than VDD. |
|||||||||||||||
| 22 | VDD | P | Power Supply for Logic Circuit This is a voltage supply pin. It must be connected to external source. |
|||||||||||||||
| 25 | N.C. | - | Reserved Pin(Supporting Pin) The supporting pins can reduce the influences from stresses on the function pins. These pins must be connected to external ground. |
Mechanical Data
| Item | Dimension | Unit |
|---|---|---|
| Dot Matrix | 96 × 32 | Dots |
| Module dimension | 19.80 × 12.32 × 1.21 (mm) | mm |
| Active Area | 16.298 × 5.418 (mm) | mm |
| Pixel Size | 0.148 × 0.148 (mm) | mm |
| Pixel Pitch | 0.17 × 0.17 (mm) | mm |
| Display Mode | Passive Matrix | |
| Display Color | Monochrome | |
| Drive Duty | 1/32 Duty | |
| IC | SSD1305 | |
| Interface | 6800, 8080, SPI, I2C | |
| Size | 0.68 inch | |
Absolute Maximum Ratings
| Parameter | Symbol | Min | Max | Unit |
|---|---|---|---|---|
| Supply Voltage for Logic | VDD | -0.3 | 4 | V |
| Supply Voltage for Display | VCC | 0 | 16 | V |
| Operating Temperature | TOP | -40 | +80 | °C |
| Storage Temperature | TSTG | -40 | +85 | °C |
Electronical Characteristics
DC Characteristics
| Item | Symbol | Condition | Min | Typ | Max | Unit |
|---|---|---|---|---|---|---|
| Supply Voltage for Logic | VDD | - | 2.8 | 3.0 | 3.3 | V |
| Supply Voltage for Display | VCC | - | 11.5 | 12 | 12.5 | V |
| High Level Input | VIH | - | 0.8×VDD | - | VDD | V |
| Low Level Input | VIL | - | 0 | - | 0.2×VDD | V |
| High Level Output | VOH | Iout = 100uA | 0.9×VDD | - | VDD | V |
| Low Level Output | VOL | Iout = 100uA | 0 | - | 0.1×VDD | V |
| Symbol | Parameter | Min. | Typ. | Max. | Unit | Condition |
|---|---|---|---|---|---|---|
| ICC | VCC Supply Current | - | 6 | 9 | mA | VDD =3.0V , Display 100% ON |
FPC options
| Drawing | FPC Length | PIN | pitch | ZIF FPC or HOTBAR FPC | Interface | FPC No. | Create Date |
|---|---|---|---|---|---|---|---|
![]() |
30 | 28 | 0.5 | ZIF FPC | 6800, 8080,4-Wire SPI, I2C | FPC2050002811XXXXX01 | 20180131 |
![]() |
8.479 | 25 | 0.65 | HOTBAR FPC | 6800, 8080,4-Wire SPI, I2C | FPC2065002501XXXXX00 | 20190906 |
Search keyword: 96x32 oled, oled 96x32, 0.68 oled, 0.68" oled, 0.68 inch oled, oled 0.68, oled 0.68"


