All in One TFT LCD Displays (Clever System) 5.7 inch
Model No. WF57MTIBCDRT0
►Size : 5.7”
►Resolution : 320 x 240 dots
►View Direction : 12H
►Interface : UART/SPI
►Built-in Controller : PIC24
►Control-Board : Yes
►Brightness(cd/2): 600
►Frame Through Hole: Yes
►O-Film: Option
►Development board optional:
--For test function
--Part no. WWTFT-10#
--Dimension: 37 x 50 x12 mm
--USB input
DESCRIPTION
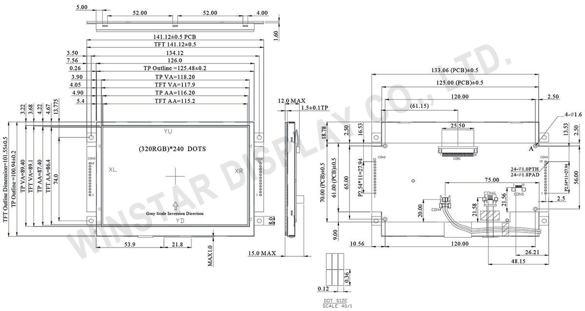
This 5.7" M Series WF57MTIBCDRT0 is Clever System TFT LCD module with resistive touch screen. This TFT-LCD dimension is 141.12 x 101.55 mm and AA size of 115.2 x 86.4 mm. Operating temperature ranges include standard -20 to +70℃ and wide -30 to +80℃. Winstar designs an optional development board which Part no. is WWTFT-10# for customers to accelerate the project for test function.
DRAWING

SPECIFICATIONS
Interface
CON 2
| Pin | Symbol | I/O | Function |
|---|---|---|---|
| 1 | GND | Power Supply | Power Ground |
| 2 | TX | O | UartTransmit pin |
| 3 | RX | I | Uart Receive pin |
| 4 | VBUS | Power Supply | Power supply : 5V |
| 5 | D+ | I/O | USB Data + |
| 6 | D- | I/O | USB Data - |
| 7 | GND | Power Supply | Power Ground |
| 8 | /REST | I | Reset(active Low) |
| 9 | GND | Power Supply | Power Ground |
| 10 | PWM | O | Pulse width modulation |
| 11 | GND | Power Supply | Power Ground |
| 12 | VBUS | Power Supply | Power supply : 5V |
CON 3
| Pin | Symbol | I/O | Function |
|---|---|---|---|
| 1 | GND | Power Supply | Power Ground |
| 2~5 | SW1~SW4 | I | Switch (active low) |
| 6 | GND | Power Supply | Power Ground |
| 7 | SDI | I | Serial Data Input |
| 8 | SDO | O | Serial Data Output |
| 9 | SCK | I | Serial Clock |
| 10 | CS | I | Serial Chip selection |
| 11 | SPI_INT | O | Serial Interrupt |
| 12 | VBUS | Power Supply | Power supply : 5V |
General Specifications
| Item | Dimension | Unit |
|---|---|---|
| Size | 5.7 | inch |
| Dot Matrix | 320 × RGB × 240(TFT) | dots |
| Module dimension | 141.12(W) × 101.55(H) × 15.0 (D) | mm |
| Active area | 115.2 × 86.4 | mm |
| Dot pitch | 0.12 × 0.36 | mm |
| LCD type | TFT, Normally White, Transmissive | |
| View Direction | 12 o'clock | |
| Gray Scale Inversion Direction | 6 o'clock | |
| Backlight Type | LED, Normally White | |
| Interface | Uart 19200 Baud rate/SPI | |
| Touch Panel | Resistive touch panel | |
| Surface | Anti-Glare | |
Absolute Maximum Ratings
| Item | Symbol | Min | Typ | Max | Unit |
|---|---|---|---|---|---|
| Operating Temperature | TOP | -20 | - | +70 | ℃ |
| Storage Temperature | TST | -30 | - | +80 | ℃ |
Electrical Characteristics
| Item | Symbol | Condition | Min | Typ | Max | Unit |
|---|---|---|---|---|---|---|
| Supply Voltage For LCM | VBUS | - | 4.5 | 5 | 5.5 | V |
| Supply Current For LCM | IBUS | - | - | 521 | - | mA |
| Power Consumption | - | VBUS=5V | - | 2605 | mW |
