Home Products TFT LCD All in One TFT LCD Display WF57MTIBCDRN0

5.7 All in One TFT LCD Displays (Clever System)

Model No. WF57MTIBCDRN0

►5.7 inch TFT Display
►Resolution : 320 x 240 dots
►View Direction : 12H
►Interface : UART/SPI
►Built-in Controller : PIC24
►Control-Board : Yes
►Brightness(cd/m2) : 900
►Frame Through Hole : Yes
►Touch Screen : No
►O-Film: Option
►Development board optional:
--For test function
--Part no. WWTFT-10#
--Dimension: 37 x 50 x12 mm
--USB input

DESCRIPTION

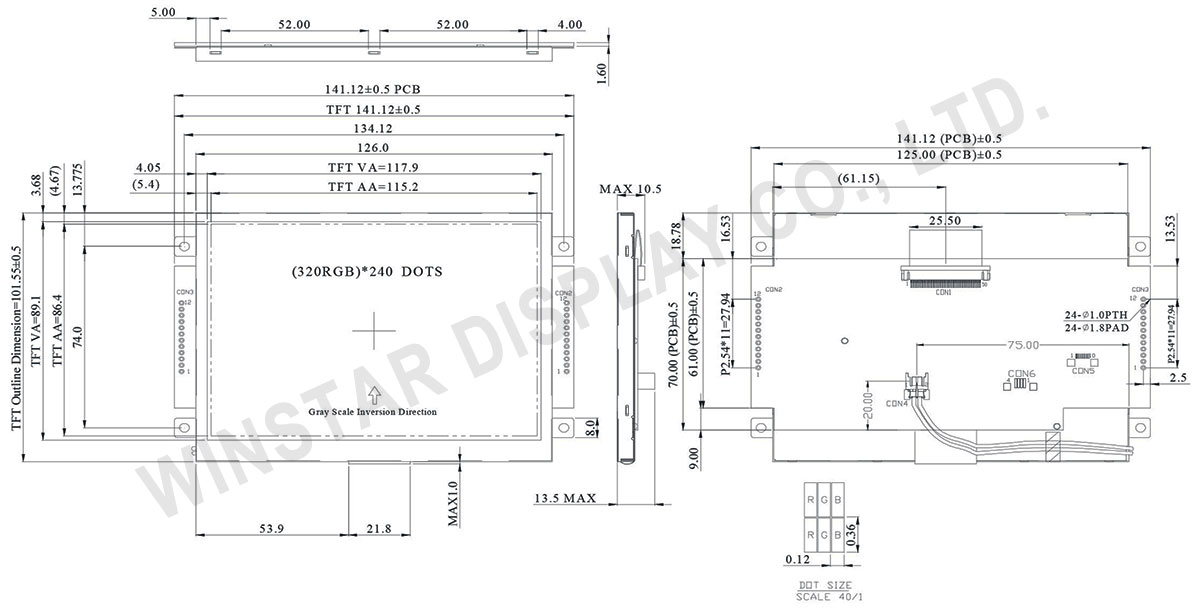
The model of WF57MTIBCDRN0 is one of Winstar 5.7 inch M Series TFT LCD module which with the outline dimension of 141.12 x 101.55 mm and AA size of 115.2 x 86.4 mm.  Winstar TFT M Series which we called “Clever System” is an easy access system for users to begin exploring the colorful display on their applications. The M Series Modules are “all in one system” which has 2 user interfaces, the UART and SPI interfaces, it supports backlight brightness adjust, PWM signal output and 4 switches button sensor. Winstar designs an optional development board which Part no. is WWTFT-10# for customers to accelerate the project for test function.

DRAWING

WF57MTIBCDRN0

SPECIFICATIONS

Interface

CON 2

Pin Symbol I/O Function
1 GND Power Supply Power Ground
2 TX O UART Transmit pin
3 RX I UART Receive pin
4 VBUS Power Supply Power supply : 5V
5 D+ I/O USB Data +
6 D- I/O USB Data -
7 GND Power Supply Power Ground
8 /REST I Reset (active Low)
9 GND Power Supply Power Ground
10 PWM O Pulse width modulation 
11 GND Power Supply Power Ground
12 VBUS Power Supply Power supply : 5V

CON 3

Pin Symbol I/O Function
1 GND Power Supply Power Ground
2~5 SW1~SW4 I Switch (active low)
6 GND Power Supply Power Ground
7 SDI I Serial Data Input
8 SDO O Serial Data Output
9 SCK I Serial Clock
10 CS I Serial Chip selection
11 SPI_INT O Serial Interrupt
12 VBUS Power Supply Power supply : 5V
Note: I: input, O: output, P: Power

General Specifications

Item Dimension Unit
Size 5.7 inch
Dot Matrix 320 × RGB × 240(TFT) dots
Module dimension 141.12(W) × 101.55(H) × 13.5 (D) mm
Active area 115.2 × 86.4 mm
Dot pitch 0.12 × 0.36 mm
LCD type TFT, Normally White, Transmissive
View Direction 12 o'clock
Gray Scale Inversion Direction 6 o'clock
Backlight Type LED, Normally White
Interface UART 19200 Baud rate/SPI
Touch Panel Without touch panel
Surface Glare

Absolute Maximum Ratings

Item Symbol Min Typ Max Unit
Operating Temperature TOP -20 +70
Storage Temperature TST -30 +80

Electrical Characteristics

Item Symbol Condition Min Typ Max Unit
Supply Voltage For LCM VBUS 4.5 5 5.5 V
Supply Current For LCM IBUS 521 mA
Power Consumption VBUS=5V 2605   mW

Search Keyword: 5.7 inch tft lcd, 5.7 tft lcd, 5.7" tft lcd, tft lcd 5.7, tft lcd 5.7", 5.7 tft display, tft display 5.7

Recently Viewed

go top
close